关于我司电话号码更改的通知
2024-12-11不忘初心,继续前行
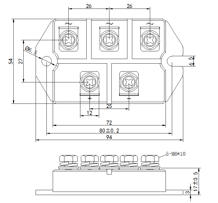
2024-12-11 W54N(超薄型三相整流桥新品发布)
(一)特点
1.采用高导热DBC绝缘片,绝缘大于等于 AC 3000V。
2.超薄型外形,便于整流桥与IGBT功率器件PBC板一起安装。
3.体积小,重量轻,采用高真空焊接,具有优良的温度特性和功率循环能力。
4.正向压降小。
5.高的浪涌能力。


(二)应用
整流器设备,不间断电源,直流电机励磁,逆变器的直流电源,新能源
(三)典型技术参数


